Product Summary
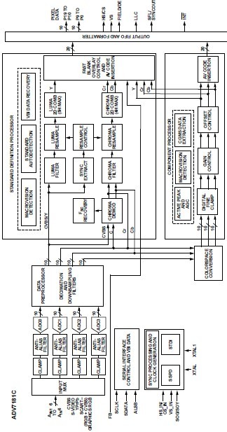
The ADV7181CBSTZ is a 10-Bit, Integrated, Multiformat SDTV/HDTV Video Decoder and RGB Graphics Digitizer. It is suitable for Automotive entertainment, HDTVs, LCD/DLP projectors, HDTV STBs with PVR, DVD recorders with progressive scan input support and AVR receivers.
Parametrics
Absolute maximum ratings: (1)AVDD to AGND: 4 V; (2)DVDD to DGND: 2.2 V; (3)PVDD to AGND: 2.2 V; (4)DVDDIO to DGND: 4 V; (5)DVDDIO to AVDD: -0.3 V to +0.3 V; (6)PVDD to DVDD: -0.3 V to +0.3 V; (7)DVDDIO to PVDD: -0.3 V to +2 V; (8)DVDDIO to DVDD: -0.3 V to +2 V; (9)AVDD to PVDD: -0.3 V to +2 V; (10)AVDD to DVDD: -0.3 V to +2 V; (11)Digital Inputs Voltage to DGND: DGND - 0.3 V to DVDDIO + 0.3 V; (12)Digital Outputs Voltage to DGND: DGND - 0.3 V to DVDDIO + 0.3 V; (13)Analog Inputs to AGND: AGND - 0.3 V to AVDD + 0.3 V; (14)Operating Temperature Range: -40℃ to +85℃; (15)Maximum Junction Temperature (TJ MAX): 125℃; (16)Storage Temperature Range: -65℃ to +150℃; (17)Infrared Reflow, Soldering (20 sec): 260℃.
Features
Features: (1)Four 10-bit ADCs sampling up to 110 MHz; (2)6 analog input channels; (3)SCART fast blank support; (4)Internal antialias filters; (5)NTSC, PAL, and SECAM color standards support; (6)525p/625p component progressive scan support; (7)720p/1080i component HDTV support; (8)Digitizes RGB graphics up to 1024 × 768 at 70 Hz (XGA); (9)3 × 3 color space conversion matrix; (10)Industrial temperature range: -40℃ to +85℃; (11)12-bit 4:4:4 DDR, 8-/10-/16-/20-bit SDR pixel output interface; (12)Programmable interrupt request output pin; (13)Small package; (14)Low pin count; (15)Single front end for video and graphics; (16)VBI data slicer (including teletext).
Diagrams

| Image | Part No | Mfg | Description | ![]() |
Pricing (USD) |
Quantity | ||||||||||||||||
|---|---|---|---|---|---|---|---|---|---|---|---|---|---|---|---|---|---|---|---|---|---|---|
![]() |
![]() ADV7181CBSTZ |
![]() |
![]() IC VIDEO DECODER SDTV RGB 64LQFP |
![]() Data Sheet |
![]()
|
|
||||||||||||||||
![]() |
![]() ADV7181CBSTZ-REEL |
![]() |
![]() IC VIDEO DECODER SDTV RGB 64LQFP |
![]() Data Sheet |
![]()
|
|
||||||||||||||||
(China (Mainland))








